1
/
de
1
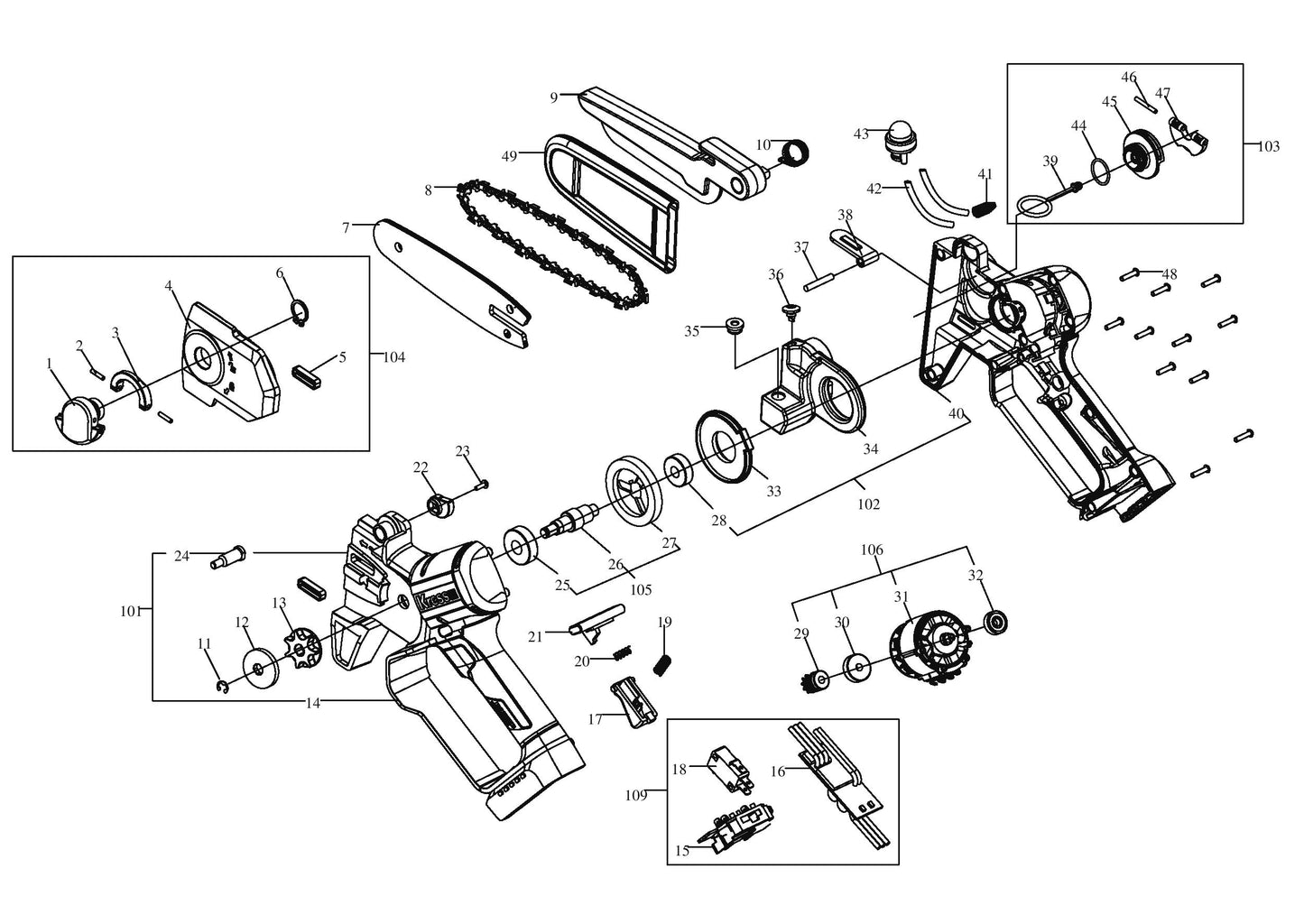
Elagueuse kg343
Elagueuse kg343
Guy
L’installation c'est bien passé super robot, fonctionne bien. ! A voir dans la durée
Vanessa
bien reçu, la notice est bien expliqué. sa fait plaisir de ne plus tondre.
brice
Reçu en 3 jours, matériel de qualité.
- Sans Bruit : travaillez sans déranger le voisinage !
- Efficacité : aussi puissant qu'un outil thermique !
- Réparabilité : les pièces détachés sont disponibles à la vente!
Prix habituel
€8,04
Prix habituel
€8,04
Prix promotionnel
Prix unitaire
/
par
1 en stock
Impossible de charger la disponibilité du service de retrait
Partager
Recevez-le entre - et -.

Ce que disent nos clients
-
pas mal du tout
J'ai acheté une tronçonneuse électrique sans grande conviction, et en faite j'en suis super content. Je croyais pas que c'était aussi puissant
ludo L.
-
épaté.
Vraiment content de ma tondeuse,pas de bruit.Je tonts le dimanche sans soucis et elle à une belle autonomie
manuel F.
-
j'aurais du prendre plus puissant
c'est du bon matériel mais j'aurais du prendre le 60v.
Pour abattre des arbres 40v c'est juste
jérémie M.
1
/
de
3